Ersatzteilliste
http://www.binzel-abicor.com/uploads/Content/Germany/PDF-Files/PDF_Files_MIGMAG/German/mig_mag_ersatzteilliste_2_0_v1.pdf
Katalog mit Verschöeißteilübersicht
http://www.binzel.de/uploads/Content/Germany/PDF-Files/PDF_Files_MIGMAG/German/migmag-katalog_pro_m277de_2_0-v1_web.pdf
Die robusten Qualitäts-Klassiker:
ABICOR BINZEL Schweißbrenner haben die fortschrittliche Technik und Qualität die man zum problemlosen Arbeiten bei den verschiedenen Schweißaufgaben benötigt. Alle Brenner sind bis ins Detail durchdacht konstruiert und gewährleisten ein exaktes und bequemes Arbeiten.
MB 15 AK (luftgekühlt); MB 24 KD (luftgekühlt); MB 25 AK (luftgekühlt); MB 26 KD (luftgekühlt); MB 36 KD (luftgekühlt); MB 40 KD (luftgekühlt); RB 61 GD (luftgekühlt); MB 240 D (flüssiggekühlt); MB 401 (flüssiggekühlt); MB 401 D (flüssiggekühlt); MB 501 (flüssiggekühlt); MB 501 D (flüssiggekühlt); MB 602 (flüssiggekühlt); RB 610 D (flüssiggekühlt);
...
Quelle: (Stand 2012-02-29) http://www.binzel.de/DE/deu/produkte/migmag-schweissbrenner/schweissbrenner-mb/



Leistungsgröße von 300 A bis 600 A
Die bewährten MIG/MAG-Schweißbrenner ABIMIG® flüssiggekühlt mit Doppelkühlkreislauf decken ein Leistungsspektrum bis 600 A ab. Das Griffschalen-Konzept ABIMIG® bietet die Möglichkeit alle gängigen Schalt- und Regeljunktionen zu integrieren.
ABIMIG® 452 W; ABIMIG® 452 D W (wechselbarer Düsenstock); ABIMIG® 645 W;
...
Quelle: Abicor-Binzel Katalog 2.0/V1
MB GRIP - Ergonomie & Flexibilität in Perfektion.
"Bekommen Sie den Brenner in den Griff" - entdecken Sie die erste vollkommene Lösung ihrer Art.
Die Griffschale mit "GRIP" & Kugelgelenk - Griffigkeit und optimales Handling in wirklich jeder Lage. Ein Feeling, das jeden Schweißer glücklich & zufrieden macht - sie werden den Brenner bereits nach dem ersten Kontakt nicht mehr aus der Hand geben ...
MB GRIP - Leistung auf ganzer Linie:
ABICOR BINZEL-Schweißbrenner haben die fortschrittliche Technik und Qualität, die man zum problemlosen Arbeiten bei den verschiedenen Schweißaufgaben benötigt. Alle Brenner sind bis ins Detail durchdacht konstruiert und gewährleisten ein exaktes und bequemes Arbeiten.
MB 15 AK GRIP (luftgekühlt); MB 24 KD GRIP (luftgekühlt); MB 25 AK GRIP (luftgekühlt); MB 26 KD GRIP (luftgekühlt); MB 36 KD GRIP (luftgekühlt); MB 240 D GRIP (flüssiggekühlt); MB 401 GRIP (flüssiggekühlt); MB 401 D GRIP (flüssiggekühlt); MB 501 GRIP (flüssiggekühlt); MB 501 D GRIP (flüssiggekühlt);
...
Quelle: (Stand 2012-02-29) http://www.binzel.de/DE/deu/produkte/migmag-schweissbrenner/schweissbrenner-mb-grip/
MB 15 AK / MB 15 AK-FX; MB 24 KD; MB 25 AK / MB 25 AK-FX; AB 26 KD; MB 36 KD
Typ |
Belastung (A) CO2 |
Belastung (A) Mischgas M21 |
Einschaltdauer ED in &% |
Drahtdurchmesser (mm) |
|
MB 15 AK / MB 15 AK-FX |
180 |
150 |
60 |
0,6 - 1,0 |
jetzt kaufen |
MB 24 KD |
250 |
220 |
35 |
0,8 -1,2 |
|
MB 25 AK / MB 25 AK-FX |
230 |
200 |
60 |
0,8 - 1,2 |
|
MB 26 KD |
230 |
200 |
35 |
0,8 - 1,2 |
|
MB 36 KD |
300 |
270 |
60 |
0,8 - 1,2 |
|
MB 40 KD |
|
|
|
|
|
Ersatzteilanfragen richten sie gerne an ![]()
MB 15 AK (luftgekühlt)
Der bewährte Qualitätsbrenner zum Einsatz im gesamten Apparate-, Fahrzeug-, Maschinen- und Stahlbau. |
echnische Daten nach EN 60 974-7: Die Belastungsdaten entsprechen der VDE-Kennlinie für Schweißstromquellen (U=14+0,05xl). Bei Impulslichtbogen reduzieren sich die Belastungsdaten bis zu 35 %. |
Ersatzteilanfragen richten sie gerne an ![]()
Ersatzteilanfragen richten sie gerne an ![]()

Ersatzteilanfragen richten sie gerne an ![]()

Ersatzteilanfragen richten sie gerne an ![]()

Ersatzteilanfragen richten sie gerne an ![]()
MB 40 KDDer bewährte Qualitätsbrenner zum Einsatz im gesamten Apparate-, Fahrzeug-, Maschinen- und Stahlbau. |
Technische Daten
nach EN 60 974-7: |
MB 240 D; MB 401 D; MB 401; MB 501 D; MB 501
Typ |
Belastung (A) CO2 |
Belastung (A) Mischgas M21 |
Einschaltdauer ED in &% |
Drahtdurchmesser (mm) |
|
MB 240 D |
300 |
270 |
100 |
0,8 - 1,2 |
|
MB 401 D |
400 |
350 |
100 |
0,8 - 1,2 |
|
MB 401 |
450 |
400 |
100 |
0,8 - 1,2 |
|
MB 501 D |
500 |
450 |
100 |
1,0 - 1,6 |
|
MB 501 |
550 |
500 |
100 |
1,0 - 1,6 |
|
erhältlich in den Ausführungen: ERGO oder Grip
![]() | ![]() |
|
|

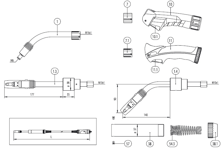
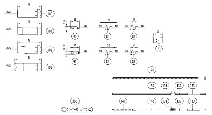
| 100 | Gasdüse zylindrisch NW ø 17,0 | 145.0047 | 1036 | |
| 101 | Gasdüse zylindrisch; schwere Ausführung NW ø 17,0 | 145.0062 | 1036 | |
| 102 | Gasdüse konisch NW ø 12,5 | 145.0080 | 1036 | |
| 103 | Gasdüse konisch; schwere Ausführung NW ø 12,5 | 145.0101 | 1036 | |
| 104 | Gasdüse stark konisch NW ø 10 | 145.0128 | 1036 | |
| 105 | PUnktgasdüse NW ø 17,0 | 145.0174 | 1036 |
MB 401 (flüssiggekühlt) |
Technische Daten nach EN 60 974-7: |
Diese Seite entsteht mit Unterstützung von www.electi.net --- Powerd by www.mein-schaufenster.com